icon icon icon

Hướng dẫn kết nối đồng hồ đo nước điện từ với hệ thống BMS

Đăng bởi Hoàng Cường vào lúc 09/08/2023

Hướng dẫn kết nối đồng hồ đo nước điện từ với hệ thống BMS

Hướng dẫn kết nối đồng hồ đo nước điện từ với hệ thống BMS

Hướng dẫn cách kết nối Đồng hồ nước điện từ EMF (Electromagnetic Flowmeter) với Hệ thống quản lý tòa nhà BMS (Building Management System) để giám sát và quản lý tiện ích nước hiệu quả hơn.

1. Hướng dẫn kết nối EMF với Hệ thống BMS

Bước 1: Chuẩn bị thiết bị và phần mềm

Trước tiên, bạn cần chuẩn bị những thiết bị và phần mềm cần thiết, bao gồm:

  1. Đồng hồ nước điện từ: Đảm bảo đồng hồ nước điện từ của bạn đã được trang bị giao thức kết nối với BMS.
  2. Hệ thống BMS: Đảm bảo Hệ thống BMS đã được cài đặt và hoạt động tốt.

Bước 2: Xác định giao thức kết nối

Trước khi bắt đầu, bạn cần xác định giao thức kết nối mà đồng hồ nước điện từ sử dụng để truyền tải dữ liệu đến Hệ thống BMS. Các giao thức phổ biến có thể là Modbus, BACnet, MQTT, hoặc giao thức tùy chỉnh.

Bước 3: Kết nối vật lý

  1. Xác định cổng kết nối: Đồng hồ nước điện từ thường có cổng kết nối để kết nối với mạng thông tin. Bạn cần xác định cổng này trên đồng hồ.
  2. Kết nối cáp: Sử dụng cáp thích hợp dựa trên giao thức kết nối đã chọn, kết nối cổng trên đồng hồ với cổng tương ứng trên Hệ thống BMS.

Bước 4: Cài đặt phần mềm và cấu hình

  1. Cài đặt phần mềm: Theo hướng dẫn từ nhà cung cấp đồng hồ nước điện từ, cài đặt phần mềm liên quan để thiết lập kết nối và cấu hình.
  2. Cấu hình thông số: Trong phần mềm, bạn cần cấu hình các thông số như địa chỉ IP của Hệ thống BMS, port kết nối, giao thức sử dụng, và các thông số khác cần thiết.

Bước 5: Kiểm tra và giám sát

Sau khi hoàn tất cấu hình, tiến hành kiểm tra bằng cách thực hiện các bước sau:

  1. Kết nối thử nghiệm: Kết nối đồng hồ nước điện từ với hệ thống BMS và kiểm tra xem liệu dữ liệu có truyền tải đến thành công hay không.
  2. Giám sát dữ liệu: Mở phần mềm BMS để theo dõi dữ liệu từ đồng hồ nước điện từ. Đảm bảo rằng các thông số như tiêu thụ nước điện, trạng thái và các thông số khác được hiển thị đúng và đầy đủ.

Bước 6: Kiểm tra và duy trì định kỳ

Hãy thường xuyên kiểm tra và duy trì kết nối giữa đồng hồ nước điện từ và Hệ thống BMS để đảm bảo rằng dữ liệu vẫn được truyền tải đúng cách. Nếu có vấn đề gì xảy ra, tiến hành kiểm tra, sửa lỗi và cập nhật phần mềm nếu cần.

Kết luận

Kết nối đồng hồ nước điện từ với Hệ thống BMS là một bước quan trọng để quản lý tiện ích nước một cách hiệu quả và thông minh. Bằng cách tuân theo các bước hướng dẫn trên, bạn sẽ có khả năng giám sát và quản lý tiêu thụ nước điện một cách hiệu quả, từ đó giúp tiết kiệm năng lượng và tài nguyên cho toàn bộ hệ thống.

2. Loại Đồng hồ đo nước điện từ Waterflux 3070F (Modbus) chuyên kết nối với Hệ thống BMS

Đồng hồ đo nước điện từ Waterflux 3070F kết nối với Hệ thống BMS

                          Xem chi tiết Đồng hồ điện từ Waterflux 3070

3. Hình ảnh thực tế Đồng hồ đo nước điện từ Waterflux 3070F kết nối với Hệ thống BMS

Đồng hồ điện từ Waterflux 3070 có sẵn giao thức Modbus kết nối với hệ thống BMS

Đồng hồ điện từ Waterflux 3070 có sẵn giao thức Modbus kết nối với Hệ thống BMS

Tủ kết nối, truyền dữ liệu từ đồng hồ đo nước điện từ đến hệ thống BMS 

Tủ kết nối, truyền dữ liệu từ đồng hồ đo nước điện từ đến Hệ thống BMS

Tủ điều khiển trung tâm của Hệ thống BMS

Tủ điều khiển trung tâm của Hệ thống BMS

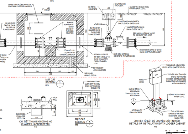
Bản vẽ thiết kế đồng hồ và tủ điện kết nối với hệ thống BMS

Bản vẽ thiết kế đồng hồ và tủ điện kết nối với Hệ thống BMS

Krohne logo

CÔNG TY CỔ PHẦN TƯ VẤN THƯƠNG MẠI LẠC VIỆT hiện đang là đại lý phân phối các dòng thiết bị của HÃNG KROHNE tại thị trường Việt Nam. Những thiết bị CHÍNH HÃNG KROHNE mà Công ty chúng tôi đã và đang phân phối bao gồm: 

1. ĐỒNG HỒ ĐO LƯU LƯỢNG ĐIỆN TỪ

2. Bộ điều khiển lưu lượng

3. Cảm biến đo mức

4. Công tắc báo mức

5. Đầu dò nhiệt độ

6. Cảm biến nhiệt độ

7. Bộ điều khiển nhiệt độ

8. Thiết bị đo áp suất

9. Thiết bị phân tích...vvv

-----------------------------------------

-----------------------------------------

Tags : BACnet BMS (Building Management System) EMF (Electromagnetic Flowmeter) hệ thống BMS Hướng dẫn cách kết nối Hướng dẫn kết nối đồng hồ đo nước điện từ với hệ thống BMS Modbus MQTT
VIẾT BÌNH LUẬN CỦA BẠN:

DỰ ÁN